您的位置: 首頁>>新聞動態>>資訊中心>>SMT技術文章 PCBA電路板中二極管用法
您的位置: 首頁>>新聞動態>>資訊中心>>SMT技術文章 PCBA電路板中二極管用法
一個二極管幾乎在LDO的各個引腳都可以發揮作用,以后想做硬件電子工程師的朋友看看,你能看懂它的用法嗎?
輸入端接二極管

這個電路圖中,在LDOI的輸入端串一個二極管進D3去,有兩方面作用,一個是防反接,當你電源插反的時候,由于二極管反向截止,因此不能形成電流回路,可以很好的保護LDO不被傷害。二極管D3另一個作用是對于經過LDO后壓差很大的電路中,二極管可以把輔助承擔一部分熱損傷。
地端接二極管

這個電路圖中,是將二極管串進LDO的地與系統的地端,它的作用就是當你電源接反的時候,因為有二極管的反向截止,所以輸入電流不會進入LDO,不會形成電流回路,因此可以保護LDO.
但是這里要考慮一個點,就是當接入二極管之后,LDO一腳處的GND電壓會被抬升,會造成LDO的輸出減小,因此要特別注意。
輸入輸出接二極管

在這個電路圖中,將二極管接入LDO的輸入輸出之間,在這里二極管會有什么作用呢?當LDO電路正常工作時,輸入的電壓是大于輸出電壓的,因此二極管此時處于截止狀態,當LDO掉電以后,由于電路的寄生電感等情況,會造成輸出口出的電壓比輸入口的電壓下降的慢的情況,這個時候,加入一個二極管將這部分電壓續流回去,可以很多的保護LDO不被反向電壓沖擊損壞。
輸出口接二極管

這個電路大家基本都能看懂,加入二極管之后,可以進一步增加壓降,更加符合預期設定值,還有一大作用就是防止LDO的輸出腳有其他電串進來損壞LDO。
防反接作用
在主回路中,串聯一個二極管,是利用二極管的單向導電的特性,實現了最簡單可靠的低成本防反接功能電路。這種低成本方案一般在小電流的場合,類似小玩具等。因為二極管導通會有一個0.7V(硅管)的導通壓降,如果實際電流很大的話,那么就會產生一個熱損耗,會導致發熱。而且如果反接的電壓很大的話,超過反向截止電壓,也會擊穿二極管本身,導致二極管失效,起不到防反接的功能,從而不能起到保護后級電路的作用了。

整流作用
整流電路的作用是將交流降壓電路輸出的電壓較低的交流電轉換成單向脈動性直流電,這就是交流電的整流過程,整流電路主要由整流二極管組成。經過整流電路之后的電壓已經不是交流電壓,而是一種含有直流電壓和交流電壓的混合電壓,習慣上稱單向脈動性直流電壓。

穩壓作用
具備穩壓作用的二極管叫做穩壓二極管,英文名稱Zener diode,又叫齊納二極管。利用PN結反向擊穿狀態,其電流可在很大范圍內變化而電壓基本不變,其基本電路結構如下圖所示。

續流作用
續流二極管都是并聯在線圈(感性元器件)的兩端,線圈在通過電流時,會在其兩端產生感應電動勢。當電流消失時,其感應電動勢會對電路中的原件產生反向電壓。當反向電壓高于原件的反向擊穿電壓時,會把原件如三極管,等造成損壞。續流二極管并聯在線 兩端,當流過線圈中的電流消失時,線圈產生的感應電動勢通過二極管和線圈構成的回路做功而消耗掉。從而保護了電路中的其它元件的安全。常見的電路結構如下。

又或者BUCK芯片電路中的續流二極管

檢波作用
峰值檢波電路是對輸入信號幅值的最大值進行檢測,其工作原理是:當輸入電壓幅度大于二極管正向電壓時,二極管導通,輸出電壓加在電容C1上,電容兩端充電完畢,當輸入電壓幅值低于先前輸入電壓幅值時,二極管處于反偏截止狀態,此時,電容兩端的電壓基本保持不變;若再輸入信號,輸入電壓幅度必須高于此時電容兩端的電壓(即加在二極管的正向電壓),二極管才能導通。

倍壓作用
下圖是一個2倍壓電路原理圖,其工作過程大概分析如下:電源負半周時,二極管D1導通,D2截止,電流從電源下端流出經過D1, C1回到電源,因此電容C1右正左負,如下圖中紅色箭頭。電源正半周時,電容C1上的電壓疊加電源電壓,使二極管D2導通,二極管D1截止,電容C2上正下負,峰值電壓可達2倍電源的峰值電壓,即實現二倍壓,該半周期時電流走向如下圖中桔色箭頭所示。

ADC檢測口電壓鉗位作
在一些ADC檢測電路中會用兩個二極管進行鉗位保護,原理很簡單,0.7V為D1和D2的導通壓降,Vin進來的電壓大于等于3.3V+0.7V時,D35導通,Vout會被鉗位在4V;Vin小于等于-0.7V時,Vout被鉗位在-0.7V左右。

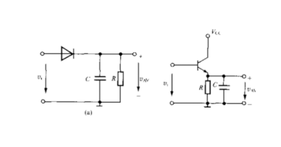
包絡線檢測作用
電路結構如下所示,設計要點是RC的時間常數需遠大于載頻的周期,又要遠小于調制信號的周期。

注明:本站任何資料,未經允許,禁止轉載,違者必究。 文章鏈接:http://www.spravvki.com/1377.html
Copyright ? 2012-2025smt貼片加工 成品組裝 深圳市全球威科技有限公司 版權所有
手機:18818771010 傳真:0755-83226620 QQ:8318484 郵箱:8318484@qq.com
地址:深圳市寶安區石巖街道洲石路萬大工業園H棟2&5樓 備案號:粵ICP備19012905號
掃一掃,更多精彩