您的位置: 首頁>>新聞動態>>資訊中心>>PCBA技術文章 PCBA電路板中電容的三大作用介紹
您的位置: 首頁>>新聞動態>>資訊中心>>PCBA技術文章 PCBA電路板中電容的三大作用介紹
PCBA電路板中電容的三大作用介紹,儲能,濾波,耦合。

1.儲能
電容用來儲能是非常常見的,一般用在電源上,如下圖所示。

如果在電源IC的輸出電沒有增加大電容儲能時,當IC需要消耗電流,前級的電源芯片和IC由于距離較遠,通常不會很快的響應,因此導致IC的電壓會下降,使其無法正常工作。所以在芯片管腳處增加電容儲能,用來快速給IC提供能量,可以防止電壓跌落。
在實際的應用中,電源IC的輸出功率是5V1A,負載正常工作時功率為5V0.5A,但是負載存在瞬時功率最大為5V2A,持續時間ms級別,如果單獨使用電源IC給負載提供能量,那么在輔助瞬時電流需要2A的時候,很明顯前級的電源無法提供,這個時候我們就會在負載的前級并聯多個大電容,使其在高功率時提供后級的負載電流。
2.濾波
電容用來濾波是利用電容電壓無法突變的特性,而且對于高頻信號,電容的阻抗低,可以將信號線上的噪聲信號進行旁路,從而達到濾波的作用,原理如下圖所示

當然,電容在濾波的時候,一般會搭配電阻或者電感使用,形成RC或者LC濾波電路,這樣的效果會更好。
3.耦合
電容的基本特性是隔直通交,將帶有直流偏置的交流信號通過耦合電容時,直流偏置因為無法通過電容,導致交流信號的偏置變為0,如下圖所示。

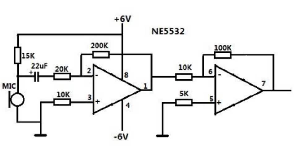
電容用作耦合作用經常用在音頻電路中。如下圖所示。

MIC正常工作需要直流電壓,電阻15K即是為了保證MIC能正常工作提供電流作用,在MIC上增加耦合電容22uF,就是為了消除MIC輸出交流信號中帶有的直流信號,這樣就能可以使交流信號進入到放大器中充分利用正負電源的特性。如果信號存在直流偏置,那么信號就只剩下一半的動態性能。
注明:本站任何資料,未經允許,禁止轉載,違者必究。 文章鏈接:http://www.spravvki.com/1353.html
Copyright ? 2012-2025smt貼片加工 成品組裝 深圳市全球威科技有限公司 版權所有
手機:18818771010 傳真:0755-83226620 QQ:8318484 郵箱:8318484@qq.com
地址:深圳市寶安區石巖街道洲石路萬大工業園H棟2&5樓 備案號:粵ICP備19012905號
掃一掃,更多精彩